Projects
A selection of my best projects
BiQuad Filter Design

This project centers on the analog circuit design of a universal biquad filter targeting a corner frequency of 1 kHz and a quality factor (Q) of 10. For more details click here
Plant-App

Flutter, Dart Application with File I/O, CRUD, Notification, Themes and Fun for Plant🪴 Enthusiasts and Hobbyist. For more details click here
Estimation of Brewster angle using Frensel equation

This experiment is performed to identify the light reflection at an interface between two media. For more details click here
Understanding of Linearly polarized light, Malu's law, and verification of Optical Acivity

Measurement of optical activity by polarization rotation in a sugar solution, Analyzing polarized light with a linear polarization polaroid filter For more details click here
Prototype of 3 - phase measurement system

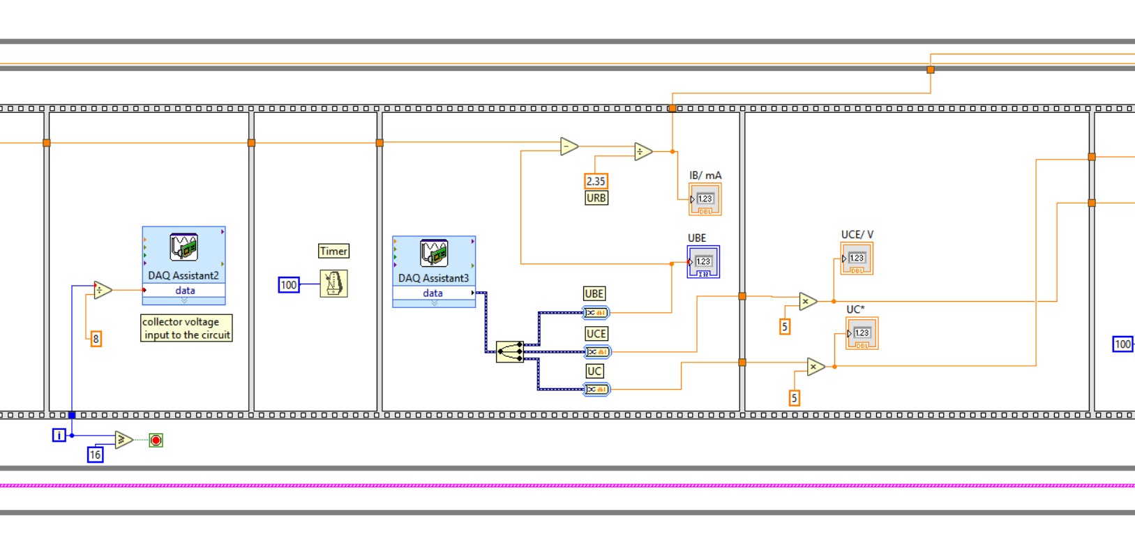
Verification of the output Characteristics of Transistor (BC547B) using LabVIEW and familiarization with LabVIEW software For more details click here
